La rueda motriz de motor de CA HL230 cuenta con motores de inducción de CA de 1,6 a 2,2 kW con reducción de engranajes 22,07: 1, que ofrecen una velocidad de 100 m/min y una capacidad de 1200kg. Disponibles en múltiples relaciones de reducción (14,5-27,31), sus ruedas de poliuretano/Goma de 230x75mm de φ proporcionan una tracción máxima de 2500N para AGV de alta resistencia y equipos de manipulación de materiales.
| Parámetro de rendimiento principal | |||
| Modelo | HL230-AC1600-24-22B | HL230-AC2200-24-22B | |
| Índice de Rendimiento | Parámetro | Parámetro | |
| Motor de viaje | Tipo de motor | Motor de inducción AC | Motor de inducción AC |
| Potencia del motor KW | 1,6 | 2,2 | |
| Voltaje V | 24 | 24 | |
| Corriente nominal A | 78 | 105 | |
| Par nominal Nm | 5,66 | 6,26 | |
| Velocidad nominal r/min | 2560 | 3352 | |
| Tipo de grabadora | Tipo de pulso | Tipo de pulso | |
| Caja de cambios | Tipo reductor | Reducción de engranajes secundarios | Reducción de engranajes secundarios |
| Ratio reductor | 22,07: 1 | 22,07: 1 | |
| Freno | Par de freno Nm | 16 | 16 |
| Tensión nominal | DC24 | DC24 | |
| Rueda | Material de la máquina | Poliuretano/caucho | Poliuretano/caucho |
| Tamaño DE LA RUEDA | Led 230x75 | Led 230x75 | |
| Otros | Ángulo Límite de dirección | Ninguno | Ninguno |
| Velocidad de viaje m/min | 0-100 | 0-100 | |
| Tracción nominal N | 1000 | 1080 | |
| Tracción máxima N | 2500 | 2700 | |
| Capacidad de transporte Kg | 1200 | 1200 | |
| Peso neto Kg | 58 | 60 | |
Tensión opcional: DC 24V Relación de reducción opcional: 14,5, 16,7, 22,07 27,31 Se utiliza para robots móviles (AGV), apiladores de palés, transpaletas, barredoras, camiones de trabajo aéreos, etc. | |||

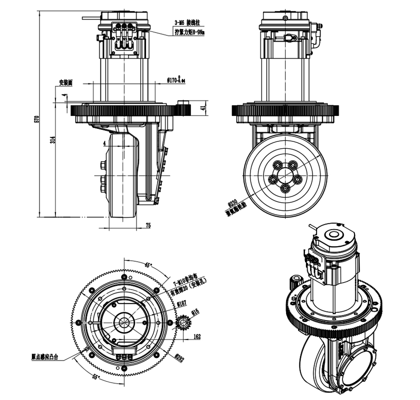
Detalles del motor y el engranaje
Motor de inducción de CA con 1,6 kW o 2,2 kW de potencia para las dos variantes del modelo (HL230-AC1600-24-22B HL230-AC2200-24-22B y).
Velocidad nominal del motor alrededor de 2 560 rpm (kW para 1,6) o 3 352 rpm (para 2,2 kW) respectivamente.
Reducción de engranajes (engranaje secundario): La relación predeterminada es 22,07: 1, con relaciones opcionales de 14,5: 1, 16,7: 1, 22,07: 1 y 27,31: 1.
Rueda y neumático
Tamaño de la rueda: φ 230 × 75mm, con material de neumático: poliuretano/caucho.
Diseñado para la configuración de la tracción vertical (la categoría “Rueda de tracción vertical”), aunque la denominación aquí indica la rueda de tracción del motor de CA.
Rendimiento/capacidad
Velocidad de viaje: 0-100 m/min.
Tracción nominal: ~ 1 000 N (modelo de 1,6 kW) o ~ 1 080 N (modelo de 2,2 kW)
Tracción máxima: hasta ~ N 2.500 (1,6 kW) o ~ 2.700 N (2,2 kW)
Capacidad de transporte: 1.200 kg (por unidad) para ambos modelos.
Freno y eléctrico
Par de freno: 16 Nm, tensión nominal para freno DC 24 V.
Entrada/voltaje para el motor: 24 V (bus DC) es el estándar listado.
Dominio de aplicación
Adecuado para robots móviles (AGV), apiladores de palés, transpaletas, barredoras, camiones de trabajo aéreos, etc.
Personalización opcional
Relación de reducción opcional (como se indicó anteriormente) para adaptarse a varias compensaciones de velocidad/PAR.
De las características anteriores, aquí están las ventajas que ofrece este producto en el despliegue práctico:
Alta capacidad de carga y tracción: con una capacidad de carga nominal de 1.200 kg y una tracción potencial de hasta ~ 2.700 N, el HL230 es adecuado para aplicaciones de servicio relativamente pesado en AGV o equipos de manipulación de materiales, lo que brinda robustez moderadamente para cargas pesadas en comparación con las ruedas motrices más ligeras.
Buen rango de velocidad: la velocidad de viaje de hasta 100 m/min ofrece un buen rendimiento para muchas tareas de logística o automatización de fábrica en interiores. La combinación de reducción del engranaje de potencia del motor significa que puede igualar la velocidad frente al par para su aplicación.
Flexibilidad a través de relaciones de engranajes: las relaciones de reducción opcionales permiten a los diseñadores adaptar una velocidad más alta o un par más alto según el escenario de carga/accionamiento, ofreciendo una plataforma configurable en lugar de una especificación fija.
Neumático duradero y diseño para entornos industriales: El material del neumático (poliuretano/caucho) ofrece una buena combinación de agarre, durabilidad y absorción de impactos. El tamaño de la rueda de 230 × 75mm es sustancial y está diseñado para manejar cargas más pesadas con estabilidad.
Freno integrado y sistema de accionamiento confiable: A incorporado BRastrillo (16 Nm) en CC 24 V permite que la rueda mantenga la posición segura cuando sea necesario (importante en los escenarios de parada/retención AGV). La disposición de la caja de cambios del motor de CA implica un diseño de accionamiento mecánico maduro para uso industrial.
Integración simplificada para AGV y Robots: dado que el producto está dirigido a AGV, apiladores de paletas, barredoras, etc., es probable que admita soportes e interfaces de montaje/Unidad estándar. permitiendo a los integradores de sistemas adoptarlo más fácilmente.
Opción de accionamiento vertical eficiente en el espacio: ser una rueda de tracción vertical (diseñada para conducir unidades de rueda montadas verticalmente) ayuda cuando el espacio está limitado o para accionamientos debajo de la carrocería donde el espacio lateral es limitado.
Durabilidad y fiabilidad: el diseño de reducción de engranajes del motor de inducción de CA tiende a ser robusto, implica menos problemas de mantenimiento (menos desgaste que algunas unidades de correa o cadena) y es más adecuado para uso industrial continuo.
Póngase en contacto con nosotros para una solución de sistema de accionamiento para su AGV.
Tel:
Correo electrónico:
Dirección:
No. 17, Jingwu Road, Pingdu Economic Development Zone, Qingdao, Shandong 266700, China.