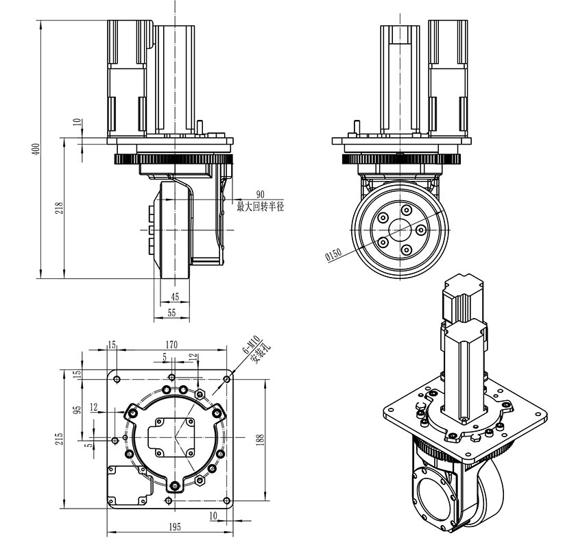
La rueda de tracción vertical HL150 ofrece dos variantes con servomotores de 0.4kW/0.6kW, reducción de marchas 18,9: 1 y velocidad de 74 m/min. Con ruedas de poliuretano/Goma (de 150x45mm), dirección de ± 110 ° y capacidad de 300kg, es ideal para AGV, apiladores y sistemas automatizados de manipulación de materiales.
| Parámetro de rendimiento principal | |||
| Modelo | Hl150-SM400-48-19-A1 | Hl150-SM600-48-19 | |
| Índice de Rendimiento | Parámetro | Parámetro | |
| Motor de viaje | Tipo de motor | Motor servo síncrono de imán permanente | Motor servo síncrono de imán permanente |
| Potencia del motor KW | 0,4 | 0,6 | |
| Voltaje V | 48 | 48 | |
| Corriente nominal A | 10,1 | 16,5 | |
| Par nominal Nm | 1,27 | 1,91 | |
| Velocidad nominal r/min | 3000 | 3000 | |
| Tipo de grabadora | Encarador incrmental | Encarador incrmental | |
| Caja de cambios | Tipo reductor | Reducción de engranajes secundarios | Reducción de engranajes secundarios |
| Ratio reductor | 18,9 | 18,9: 1 | |
| Freno | Par de freno Nm | 1,5 | 4 |
| Tensión nominal | DC24 | DC24 | |
| Rueda | Material de la máquina | Poliuretano/caucho | Poliuretano/caucho |
| Tamaño DE LA RUEDA | 150X45 | 150X45 | |
| Parte de dirección | Tipo de motor | Motor servo síncrono de imán permanente | Motor servo síncrono de imán permanente |
| Potencia del motor KW | 0,2 | 0,2 | |
| Voltaje V | 48 | 48 | |
| Corriente nominal A | 5,1 | 5,1 | |
| Par nominal Nm | 0,64 | 0,64 | |
| Velocidad nominal r/min | 3000 | 3000 | |
| Tipo reductor | Reducción de engranajes secundarios | Reducción de engranajes secundarios | |
| Relación de reducción | 250:1 | 250:1 | |
| Tipo de grabadora | Encardado incmental/Codificador absoluto | Encardado incmental/Codificador absoluto | |
| Otros | Ángulo Límite de dirección | ± 110 ° | ± 110 ° |
| Velocidad de viaje m/min | 0-74 | 0-74 | |
| Tracción nominal N | 390 | 430 | |
| Capacidad de transporte Kg | 300 | 300 | |
| Peso neto Kg | 18 | 20 | |
| Se utiliza para robots móviles (AGV), apiladores de palés, transpaletas, barredoras, camiones de trabajo aéreos, etc. | |||

Póngase en contacto con nosotros para una solución de sistema de accionamiento para su AGV.
Tel:
Correo electrónico:
Dirección:
No. 17, Jingwu Road, Pingdu Economic Development Zone, Qingdao, Shandong 266700, China.